* 9 неразгаданных тайн мира *.
1. рукопись Войнича - таинственная книга, написанная около 600 лет назад неизвестным автором на неизвестном языке. По результатам радиоуглеродного анализа 4 образцов манускрипта было установлено, что рукопись была создана между 1404 и 1438 гг. рукопись Войнича пытались расшифровать множество раз, но до сих пор безо всякого успеха. Вывод, который сделали специалисты - текст написан на искусственном языке, имеющем четкую логическую структуру.

2. криптос - скульптура с зашифрованным текстом, расположенная перед центральным офисом цру в Лэнгли, штат виргиния. Несмотря на то, что с момента установки прошло больше 20 лет, текст послания все еще далек от расшифровки. Мировое сообщество криптоаналитиков, наравне с работниками цру и фбр, за все это время смогли расшифровать только первые 3 секции. До сих пор не расшифрованными остаются 97 символов последней части.

3. загадка фестского диска похожа на историю в духе индианы Джонса. Обнаружен в развалинах минойского дворца в фесте, диск сделан из обожженной глины и содержит на себе таинственные символы, которые возможно представляют собой неизвестную форму иероглифов. Считается, что он сделан где-то во 2 тыс. До н. э. ученые полагают, что эти иероглифы напоминают символы письменных языков, которые когда-то использовались на древнем Крите.

4. памятник пастуха 18 века в графстве стаффордшир, Англия. На нем есть странная последовательность букв Douosvavvm - код, который не удается расшифровать уже более 250 лет. Автор этого шифра неизвестен, некоторые полагают, что этот код может быть подсказкой, оставленной рыцарями - тамплиерами относительно местонахождения святого грааля. Многие из величайших умов пытались расшифровать этот код и потерпели неудачу, включая Чарльза Диккенса и Чарльза Дарвина.

5. дело "Таман Шуд" - одна из самых больших загадок Австралии. Речь идет о неустановленном человеке, тело которого было найдено в декабре 1948 года на сомертон бич в аделаиде. В потайном кармане, вшитом в его брюки, был найден клочок бумаги со словами "Тамам Шуд". Эта фраза есть на последней странице собрания поэм "Рубайат" о. хайама. Вскоре после этого была найдена копия "Рубайат", в которой содержался странный шифр. Многие считают, что это послание было посмертной запиской некоторого рода, но она до сих пор остается неразгаданной, также как и само дело.

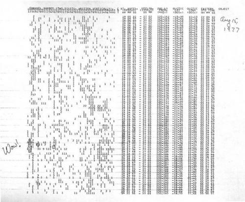
6. сигнал "Wow! "- Сильный Узкополосный Космический Радиосигнал, Зарегистрированный Доктором Джерри Эйманом 15 Августа 1977 г. во Время Работы на Радиотелескопе"большое ухо" в университете штата огайо. Под этим названием сигнал и запечатлен в истории "Программы по Поиску Внеземных Цивилизаций", как до сих пор нерасшифрованный.

7. письма зодиака - это серия из 4 зашифрованных писем, которые, были написаны знаменитым зодиаком, серийным убийцей, который терроризировал жителей Сан-франциско. Письма, вероятно, были написаны в качестве способа подразнить журналистов и полицию, и хотя одно письмо удалось расшифровать, три остальных остаются неразгаданными. Личность зодиака также никогда не была установлена.

8. скрижали джорджии - крупный гранитный монумент в округе элберт в штате джорджия, США. Памятник содержит длинную надпись на 8 современных языках, а на вершине памятника имеется более краткая надпись на 4 древних языках: аккадском, классическом греческом, санскрите и древнеегипетском. Монумент не содержит зашифрованных посланий, но его цель и происхождение остаются загадкой. Он был воздвигнут человеком, личность которого так и не удалось установить.

9. криптограммы бейла - 3 зашифрованных сообщения, несущих в себе информацию о местонахождении клада из золота, серебра и драгоценных камней, зарытого якобы на территории виргинии неподалеку от линчберга партией золотоискателей под предводительством Томаса Джефферсона бейла. Цена ненайденного клада в пересчете на современные деньги должна составлять около 30 млн. Долларов.
